* slike so simbolične
HIDRAVLIČNI PRIKLJUČEK RAVNI NASTAVLJIV - EGE 15 LR (M22x1,5)
SKU: TN126GG-15LR1/2
Hidravlični priključki Rastelli Raccordi igrajo ključno vlogo pri vzpostavljanju trdnih hidravličnih sistemov, saj omogočajo varno in zanesljivo povezovanje cevovodov ter učinkovito prenašanje moči. Pri naši ponudbi hidravličnih priključkov združujemo vrhunsko kakovost, natančnost in inovativne rešitve, ki so ključnega pomena za optimalno delovanje vaših hidravličnih sistemov.
Opis
Temperaturno območje brez redukcij tlaka z nameščenimi jeklenimi priključki s tesnili iz NBR (standard) in FPM (po naročilu): NBR (Perbunan): od -35 do +100°C - FPM (Viton): od -25 do +120°C
Tehnični podatki in specifikacije
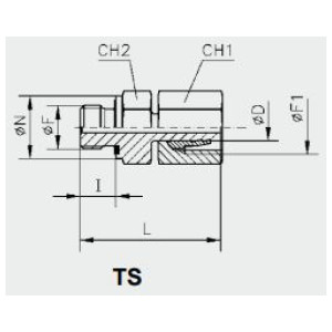
| Dimenzija L [mm] | 46 | 
| Dimenzija F [Ø] | 1/2 | 
| Dimenzija d [Ø] | 15 | 
| Dimenzija I [mm] | 14 | 
| Dimenzija CH2 [mm] | 27 | 
| Dimenzija N [Ø] | 27 | 
| Dimenzija F1 [Ø | 22x1,5 | 
| Dimenzija CH1 [mm] | 27 | 
| Obratovalni tlak [bar] | 315 | 
| Serija | Lahka | 
| Material | Jeklo, pocinkano | 

 
  
  
  
  
  
  
  
  
  
  
  
  
  
  
  
  
  
  
  
  
  
  
  
  
  
  
  
  
  
  
  
  
  
  
  
  
  
  
  
  
  
  
  
  
  
  
  
  
 
 
  
  
  
 

